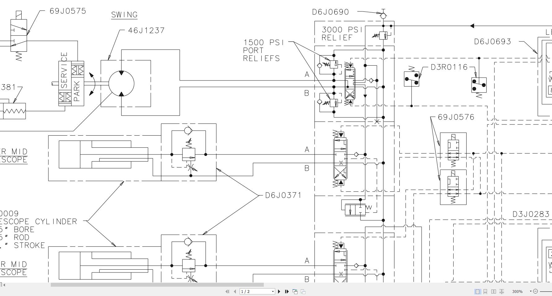
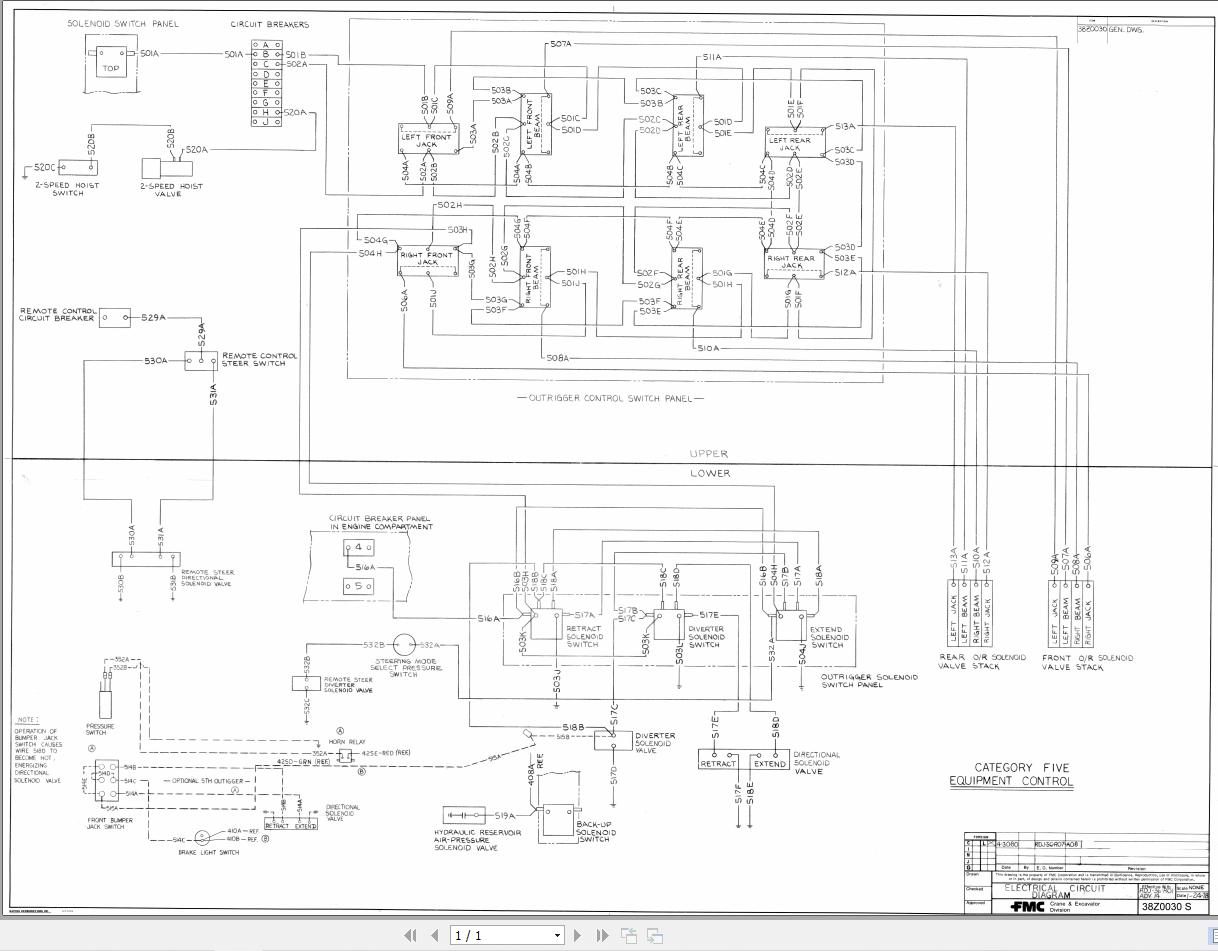
Linkbelt Telescopic Truck Crane HTC-8660 II Service Manual
Size: 36.0 MB (Rar file)
Format: PDF
Language: English
Brand: Linkbelt
Type of machine: Telescopic Truck Crane
Type of document: Service Manual
Model: Linkbelt HTC-8660 II Crane Service Repair Manual
Content:
- 70 Items PDF
Description
Linkbelt Telescopic Truck Crane HTC-8660 II Service Manual
Size: 36.0 MB (Rar file)
Format: PDF
Language: English
Brand: Linkbelt
Type of machine: Telescopic Truck Crane
Type of document: Service Manual
Model: Linkbelt HTC-8660 II Crane Service Repair Manual
Content:
– 70 Items PDF





Manual
[HOT] Manual Full Package
Agricultural & Tractor
Car Automotive
Crane
Forklift Truck
Heavy Equipment
Truck & Bus
Manual Free
Smart Solution
[HOT] Smart Solution
Crane Solution
Engineering Computer
Heavy Equipment Solution