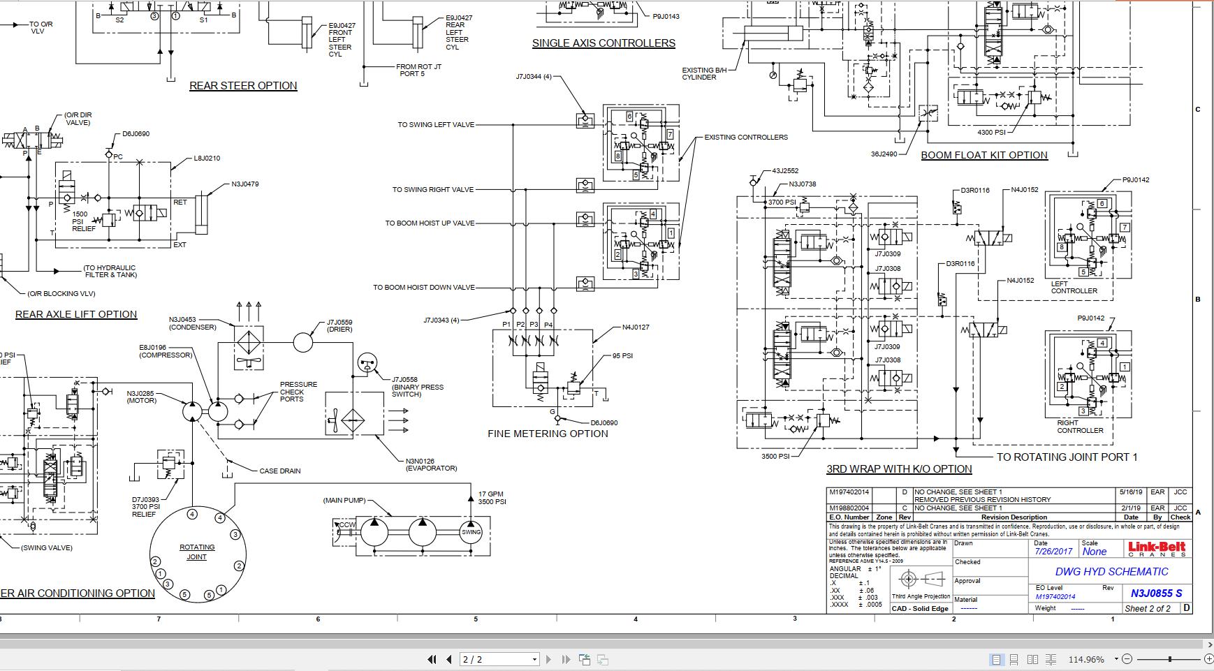
Linkbelt Telescopic Boom Truck Crane HTT-8675XP II Service Manual
Size: 50.7 MB (Rar file)
Format: PDF
Language: English
Brand: Linkbelt
Type of machine: Telescopic Boom Truck Crane
Type of document: Service Manual
Model: Linkbelt HTT-8675XP II Crane Service Repair Manual
Serial Number: P9 Prefix On Crane
Content:
- 162 Items PDF
Description
Linkbelt Telescopic Boom Truck Crane HTT-8675XP II Service Manual
Size: 50.7 MB (Rar file)
Format: PDF
Language: English
Brand: Linkbelt
Type of machine: Telescopic Boom Truck Crane
Type of document: Service Manual
Model: Linkbelt HTT-8675XP II Crane Service Repair Manual
Serial Number: P9 Prefix On Crane
Content:
– 162 Items PDF





Manual
[HOT] Manual Full Package
Agricultural & Tractor
Car Automotive
Crane
Forklift Truck
Heavy Equipment
Truck & Bus
Manual Free
Smart Solution
[HOT] Smart Solution
Crane Solution
Engineering Computer
Heavy Equipment Solution