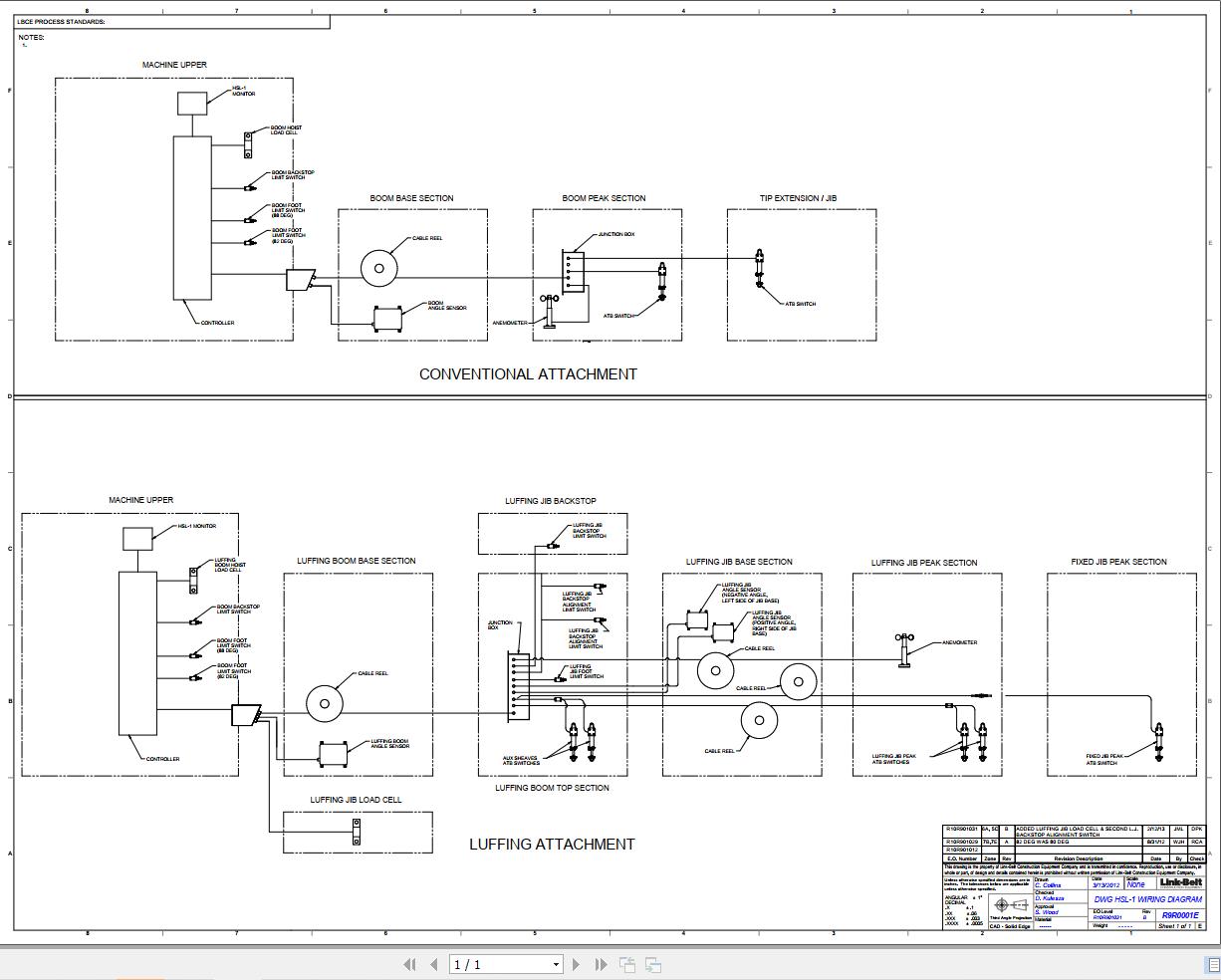
Linkbelt Telescopic Boom Truck Crane HTC-8670 HTC-8675 Service Manual
Size: 92.7 PDF
Language: English
Brand: Linkbelt
Type of machine: Telescopic Boom Truck Crane
Type of document: Service Manual
Model: Linkbelt HTC-8670 HTC-8675 Crane Service Repair Manual
Serial Number: F2 Prefix On Crane
Content:
- 294 Items PDF
Description
Linkbelt Telescopic Boom Truck Crane HTC-8670 HTC-8675 Service Manual
Size: 92.7 PDF
Language: English
Brand: Linkbelt
Type of machine: Telescopic Boom Truck Crane
Type of document: Service Manual
Model: Linkbelt HTC-8670 HTC-8675 Crane Service Repair Manual
Serial Number: F2 Prefix On Crane
Content:
– 294 Items PDF





Manual
[HOT] Manual Full Package
Agricultural & Tractor
Car Automotive
Crane
Forklift Truck
Heavy Equipment
Truck & Bus
Manual Free
Smart Solution
[HOT] Smart Solution
Crane Solution
Engineering Computer
Heavy Equipment Solution