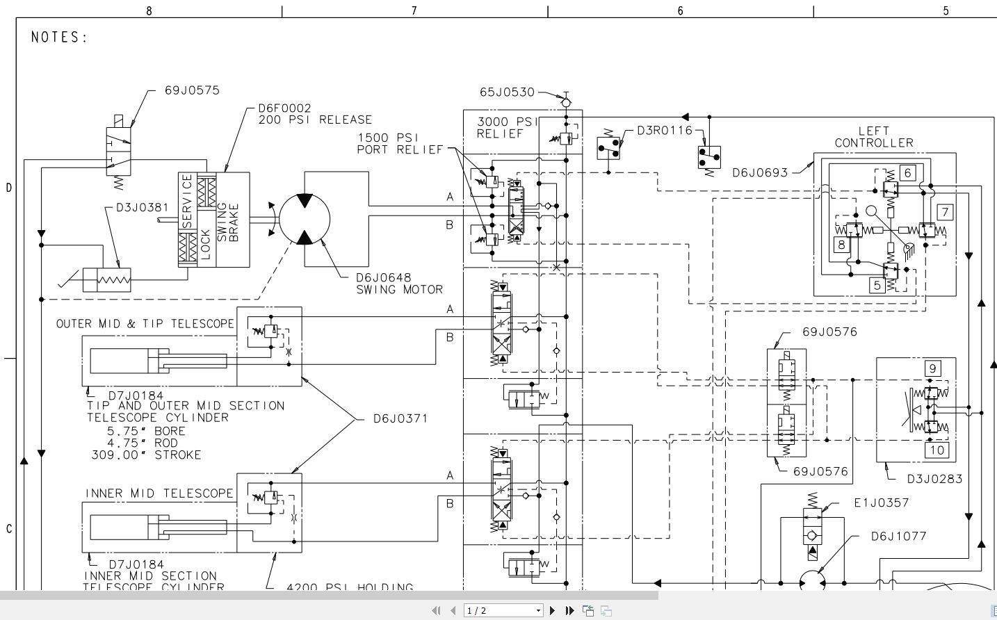
Linkbelt Lattice Boom Crawler Crane 238 HYLAB 5 Service Manual
Size: 24.9 MB (Rar file)
Format: PDF
Language: English
Brand: Linkbelt
Type of machine: Lattice Boom Crawler Crane
Type of document: Service Manual
Model: Linkbelt 238 HYLAB 5 Crane Service Repair Manual
Content:
- 98 Items PDF
Description
Linkbelt Lattice Boom Crawler Crane 238 HYLAB 5 Service Manual
Size: 24.9 MB (Rar file)
Format: PDF
Language: English
Brand: Linkbelt
Type of machine: Lattice Boom Crawler Crane
Type of document: Service Manual
Model: Linkbelt 238 HYLAB 5 Crane Service Repair Manual
Content:
– 98 Items PDF





Manual
[HOT] Manual Full Package
Agricultural & Tractor
Car Automotive
Crane
Forklift Truck
Heavy Equipment
Truck & Bus
Manual Free
Smart Solution
[HOT] Smart Solution
Crane Solution
Engineering Computer
Heavy Equipment Solution