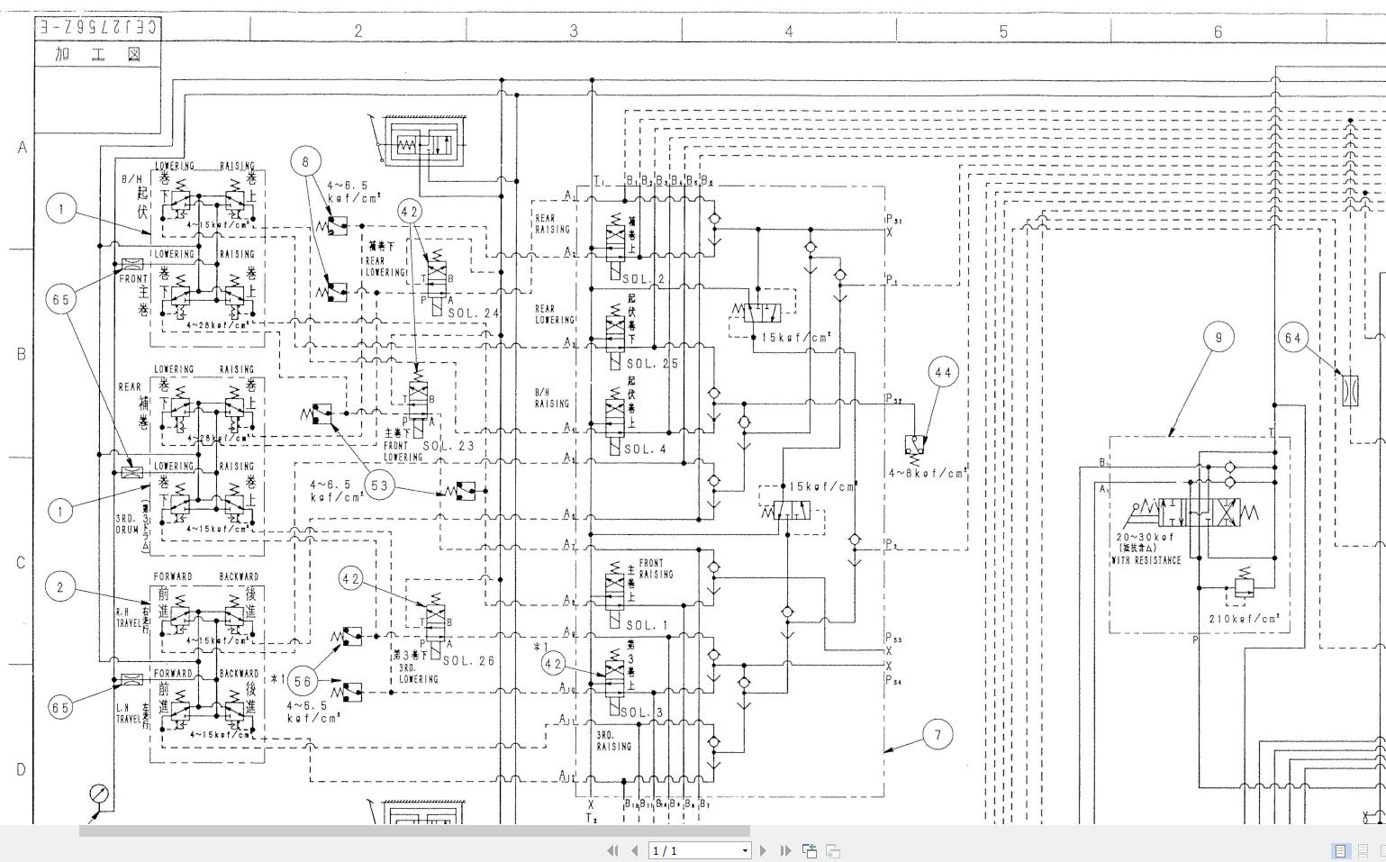
Linkbelt Lattice Boom Crawler Crane 228 HSL Service Manual
Size: 6.72 MB
Format: PDF
Language: English
Brand: Linkbelt
Type of machine: Lattice Boom Crawler Crane
Type of document: Service Manual
Model: Linkbelt 228 HSL Crane Service Repair Manual
Number of Pages: 538 Pages
Book No: 1353
Description
Linkbelt Lattice Boom Crawler Crane 228 HSL Service Manual
Size: 6.72 MB
Format: PDF
Language: English
Brand: Linkbelt
Type of machine: Lattice Boom Crawler Crane
Type of document: Service Manual
Model: Linkbelt 228 HSL Crane Service Repair Manual
Number of Pages: 538 Pages
Book No: 1353





Manual
[HOT] Manual Full Package
Agricultural & Tractor
Car Automotive
Crane
Forklift Truck
Heavy Equipment
Truck & Bus
Manual Free
Smart Solution
[HOT] Smart Solution
Crane Solution
Engineering Computer
Heavy Equipment Solution