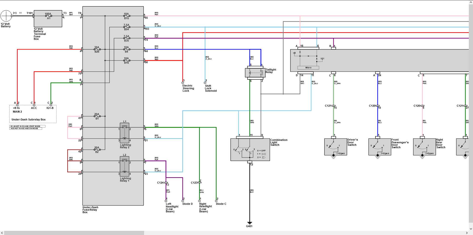
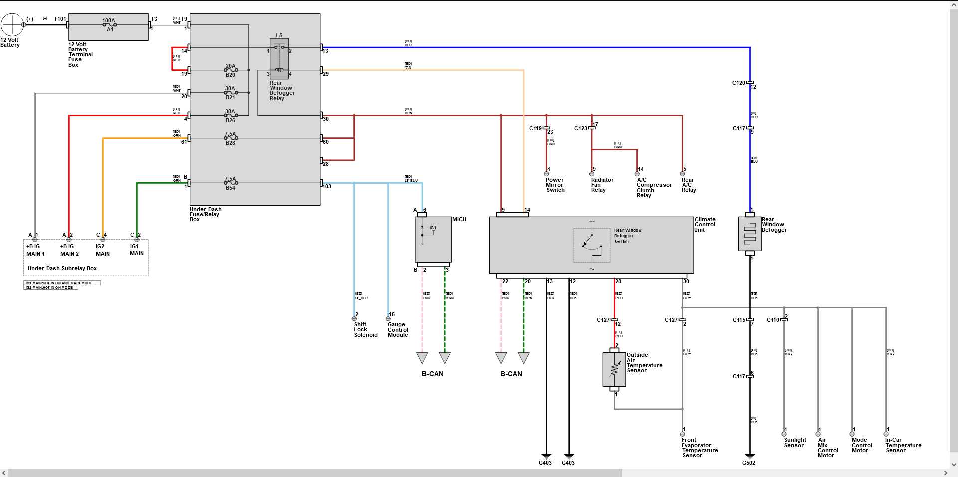
Honda BRV 2021 Wiring Diagram
Size: 33.5 MB
Format: SVGZ, PDF
Language: English
Brand: Honda
Type of Vehicle: Car
Type of Document: Wiring Diagram, Electronic Schematic
Model: Honda BRV 2021
Contents:
Audio
Body
Brakes
Component Location
Driving - Restraints
Engine
Fuel
Fuse list
Ground list
HVAC
Junction system
Steering
Transmission
Description
Honda BRV 2021 Wiring Diagram
Size: 33.5 MB
Format: SVGZ, PDF
Language: English
Brand: Honda
Type of Vehicle: Car
Type of Document: Wiring Diagram, Electronic Schematic
Model: Honda BRV 2021
Contents:
Audio
Body
Brakes
Component Location
Driving – Restraints
Engine
Fuel
Fuse list
Ground list
HVAC
Junction system
Steering
Transmission





Manual
[HOT] Manual Full Package
Agricultural & Tractor
Car Automotive
Crane
Forklift Truck
Heavy Equipment
Truck & Bus
Manual Free
Smart Solution
[HOT] Smart Solution
Crane Solution
Engineering Computer
Heavy Equipment Solution