Challenger NA TRACTOR MT738 MT740 MT743 Schematic PDF EN
Size: 3.29 MB
Format: PDF
Language: English
Region: North America - NA
Brand: Challenger
Type of machine: Tractor
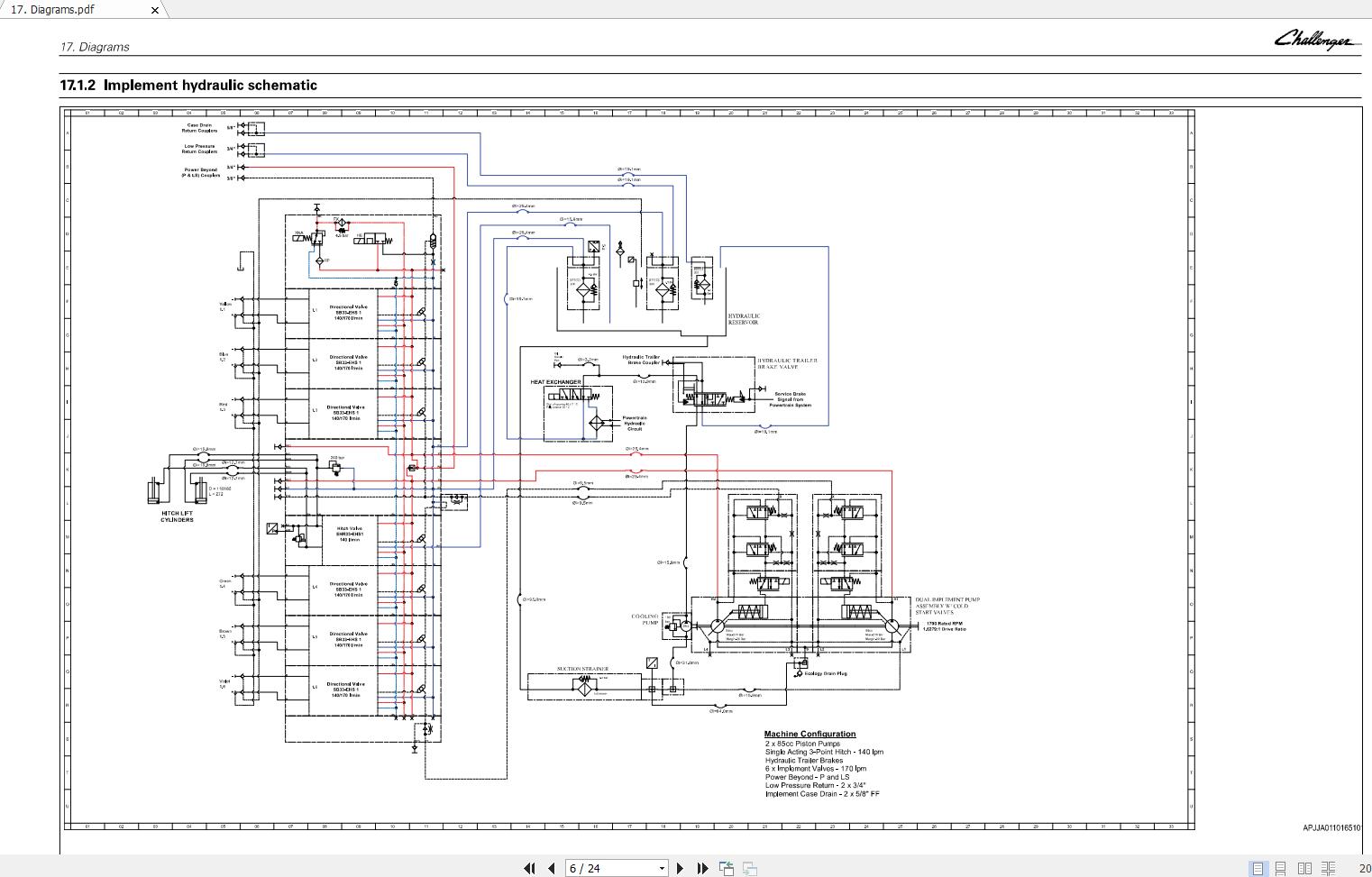
Type of document: Pneumatic Schematic & Hydraulic Schematic
Model: Challenger MT738 MT740 MT743 Pneumatic & Hydraulic Diagram
Number of pages: 24 pages
Part No: 79037223B
Description
Challenger NA TRACTOR MT738 MT740 MT743 Schematic PDF EN
Size: 3.29 MB
Format: PDF
Language: English
Region: North America – NA
Brand: Challenger
Type of machine: Tractor
Type of document: Pneumatic Schematic & Hydraulic Schematic
Model: Challenger MT738 MT740 MT743 Pneumatic & Hydraulic Diagram
Number of pages: 24 pages
Part No: 79037223B





Manual
[HOT] Manual Full Package
Agricultural & Tractor
Car Automotive
Crane
Forklift Truck
Heavy Equipment
Truck & Bus
Manual Free
Smart Solution
[HOT] Smart Solution
Crane Solution
Engineering Computer
Heavy Equipment Solution