Challenger EU Tractor MT945C MT955C MT965C MT975C TRACTOR Schematic PDF EN
Size: 7.7 MB
Format: PDF
Language: English
Region: Europe
Brand: Challenger
Type of machine: Tractor
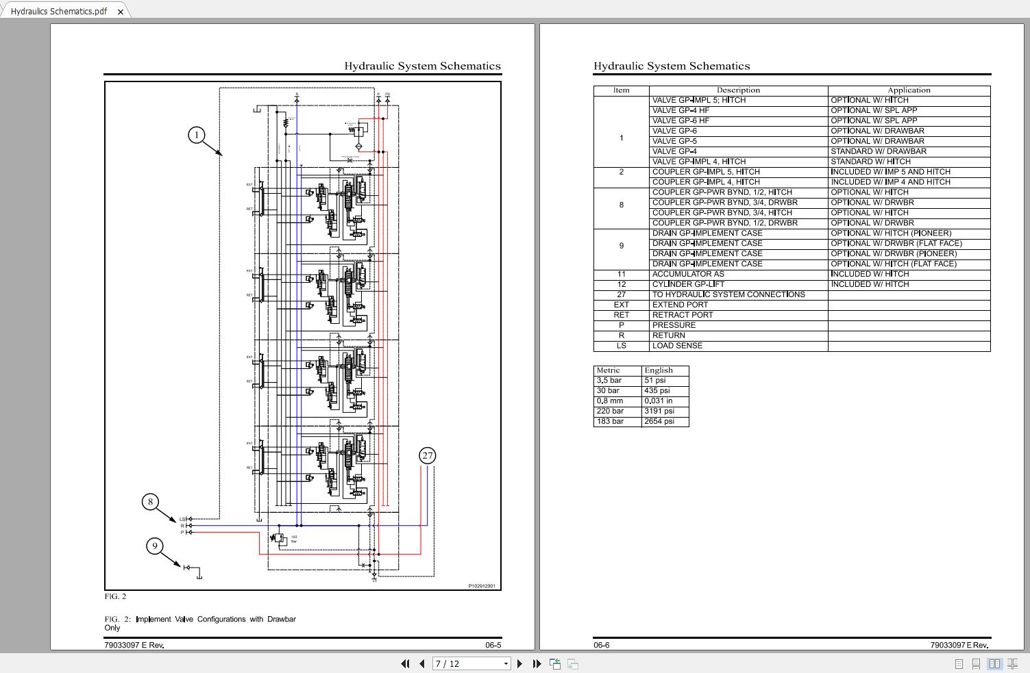
Type of document: Electrical Schematic & Hydraulic Schematic
Model: Challenger MT945C MT955C MT965C MT975C Electrical & Hydraulic Schematic
Description
Challenger EU Tractor MT945C MT955C MT965C MT975C TRACTOR Schematic PDF EN
Size: 7.7 MB
Format: PDF
Language: English
Region: Europe
Brand: Challenger
Type of machine: Tractor
Type of document: Electrical Schematic & Hydraulic Schematic
Model: Challenger MT945C MT955C MT965C MT975C Electrical & Hydraulic Schematic





Manual
[HOT] Manual Full Package
Agricultural & Tractor
Car Automotive
Crane
Forklift Truck
Heavy Equipment
Truck & Bus
Manual Free
Smart Solution
[HOT] Smart Solution
Crane Solution
Engineering Computer
Heavy Equipment Solution