Challenger EU ROTARY COMBINE 540C 550C 560C Schematic PDF EN
Size: 42.6 MB
Format: PDF
Language: English
Region: Europe
Brand: Challenger
Type of machine: ROTARY COMBINE
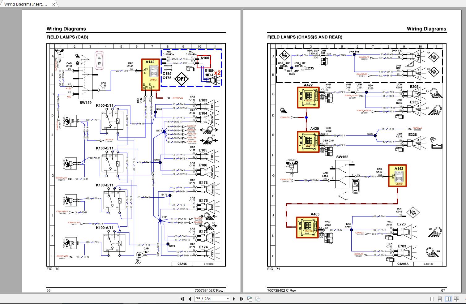
Type of document: Wiring Diagram
Model: Challenger 540C 550C 560C Wiring Diagram
Number of pages: 284 pages
Part No: 79034869 B REV
Date: 2012
Description
Challenger EU ROTARY COMBINE 540C 550C 560C Schematic PDF EN
Size: 42.6 MB
Format: PDF
Language: English
Region: Europe
Brand: Challenger
Type of machine: ROTARY COMBINE
Type of document: Wiring Diagram
Model: Challenger 540C 550C 560C Wiring Diagram
Number of pages: 284 pages
Part No: 79034869 B REV
Date: 2012





Manual
[HOT] Manual Full Package
Agricultural & Tractor
Car Automotive
Crane
Forklift Truck
Heavy Equipment
Truck & Bus
Manual Free
Smart Solution
[HOT] Smart Solution
Crane Solution
Engineering Computer
Heavy Equipment Solution