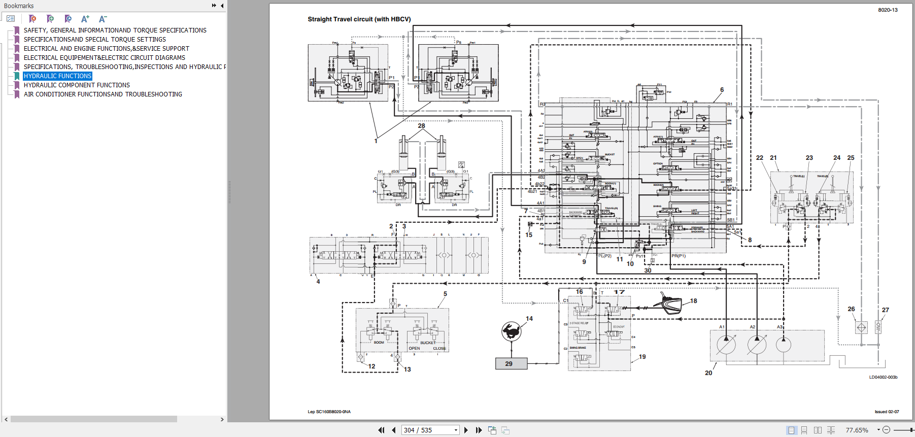
Case Crawler Excavator CX160B Repair Manual_87637607NA
Size : 69.2 MB
Format : PDF
Language : English
Number of Pages : 535 pages
Brand: Case
Type of machine: Crawler Excavator
Type of document: Repair Manual
Model: Case Mini Excavator CX160B
Part No: 87637607NA
Date: 3/2007
Description
Case Crawler Excavator CX160B Repair Manual_87637607NA
Size : 69.2 MB
Format : PDF
Language : English
Number of Pages : 535 pages
Brand: Case
Type of machine: Crawler Excavator
Type of document: Repair Manual
Model: Case Mini Excavator CX160B
Part No: 87637607NA
Date: 3/2007





Manual
[HOT] Manual Full Package
Agricultural & Tractor
Car Automotive
Crane
Forklift Truck
Heavy Equipment
Truck & Bus
Manual Free
Smart Solution
[HOT] Smart Solution
Crane Solution
Engineering Computer
Heavy Equipment Solution